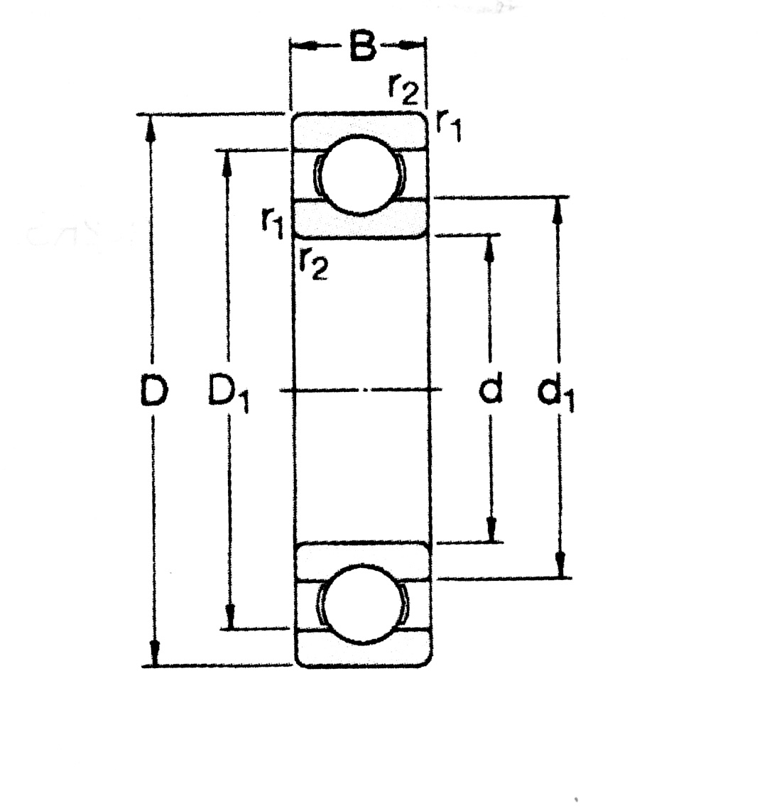
| ตลับลูกปืนเม็ดกลมร่องลึก ชนิดปลอดสนิม สเตนเลสลตีล SINGLE ROW DEEP GROOVE BALL BEARING-STAINLESS STEEL |

รหัสสินค้า |
ขนาด |
รหัสสินค้า |
ขนาด |
||||
d |
D |
B |
d |
D |
B |
||
W |
W 6006 |
30 | 55 | 13 | |||
W 604-2Z |
4 | 12 | 4 | W 6006-2RS1 |
30 | 55 | 13 |
W607-2Z |
7 | 19 | 6 | W 6006-2Z |
30 | 55 | 13 |
W 608 |
8 | 22 | 7 | W 6007 |
35 | 62 | 14 |
W 608-2RS1 |
8 | 22 | 7 | W 6007-2RS1 |
35 | 62 | 14 |
W 608-2Z |
8 | 22 | 7 | W 6007-2Z |
35 | 62 | 14 |
W 618/1 |
1 | 3 | 1 | W 6008 |
40 | 68 | 15 |
W 618/4 |
4 | 9 | 2.5 | W 6200-2RS1 |
10 | 30 | 9 |
W 618/6 |
6 | 13 | 3.5 | W 6200-2Z |
10 | 30 | 9 |
W 619/4-2Z |
4 | 11 | 4 | W 6201-2RS1 |
12 | 32 | 10 |
W 619/5 |
5 | 13 | 4 | W 6201-2Z |
12 | 32 | 10 |
W 619/5-2Z |
5 | 13 | 4 | W 6202 |
15 | 35 | 11 |
W 619/6-2Z |
6 | 15 | 5 | W 6202/C3 |
15 | 35 | 11 |
W 619/7-2Z |
7 | 17 | 5 | W 6202-2RS1 |
15 | 35 | 11 |
W 619/8-2Z |
8 | 19 | 6 | W 6202-2Z |
15 | 35 | 11 |
W 619/9-2Z |
9 | 20 | 6 | W 6203 |
17 | 40 | 12 |
W 623-2Z |
3 | 10 | 4 | W 6203-2RS1 |
17 | 40 | 12 |
W 624-2Z |
4 | 13 | 5 | W 6204 |
20 | 47 | 14 |
W 625 |
5 | 16 | 5 | W 6204-2RS1 |
20 | 47 | 14 |
W 625-2Z |
5 | 16 | 5 | W 6204-2Z |
20 | 47 | 14 |
W 626-2RS1 |
6 | 19 | 6 | W 6205 |
25 | 52 | 15 |
W 626-2Z |
6 | 19 | 6 | W 6205-2RS1 |
25 | 52 | 15 |
W 628/4-2Z |
4 | 9 | 3.5 | W 6205-2Z |
25 | 52 | 15 |
W 628/5-2Z |
5 | 11 | 4 | W 6206 |
30 | 62 | 16 |
W 628/6-2Z |
6 | 13 | 5 | W 6206-2RS1 |
30 | 62 | 16 |
W 628/8-2RS1 |
8 | 16 | 5 | W 6206-2Z |
30 | 62 | 16 |
W 628/8-2Z |
8 | 16 | 5 | W 6207 |
35 | 72 | 17 |
W 629-2Z |
9 | 26 | 8 | W 6207-2Z |
35 | 72 | 17 |
W 635-2Z |
5 | 19 | 6 | W 6208-2RS1 |
40 | 80 | 18 |
W 637/3-2Z |
3 | 6 | 3 | W 6301 |
12 | 37 | 12 |
W 638/4-2Z |
4 | 9 | 4 | W 6301-2RS1 |
12 | 37 | 12 |
W 638/5-2Z |
5 | 11 | 5 | W 6302-2RS1 |
15 | 42 | 13 |
W 638/8-2Z |
8 | 16 | 6 | W 6303 |
17 | 47 | 14 |
W 6000 |
10 | 26 | 8 | W 6303-2RS1 |
17 | 47 | 14 |
W 6000-2RS1 |
10 | 26 | 8 | W 6304 |
20 | 52 | 15 |
W 6000-2Z |
10 | 26 | 8 | W 6304-2RS1 |
20 | 52 | 15 |
W 6001-2RS1 |
12 | 28 | 8 | W 6305-2RS1 |
25 | 62 | 17 |
W 6002-2RS1 |
15 | 32 | 9 | W 6305-2Z |
25 | 62 | 17 |
W 6002-2Z |
15 | 32 | 9 | W 6306 |
30 | 72 | 19 |
W 6003 |
17 | 35 | 10 | W 6306-2Z |
30 | 72 | 19 |
W 6003-2RS1 |
17 | 35 | 10 | W 61801-2RS1 |
12 | 21 | 5 |
W 6003-2Z |
17 | 35 | 10 | W 61802-2Z |
15 | 24 | 5 |
W 6004 |
20 | 42 | 12 | W 61900-2Z |
10 | 22 | 6 |
W 6004-2RS1 |
20 | 42 | 12 | W 61901-2Z |
12 | 24 | 6 |
W 6004-2Z |
20 | 42 | 12 | W 61903 |
17 | 30 | 7 |
W 6005-2RS1 |
25 | 47 | 12 | W 63800-2Z |
10 | 19 | 7 |
Master Bearings
Master Bearings
Master Bearings
Master Bearings