| แป้นเกลียวล็อค ขนาดเป็นนิ้ว ชนิดหนา LOCK NUTS WITH INCH DIMENSIONS ( HEAVY SECTION ) |

รหัสสินค้า |
ขนาด |
รหัสสินค้า |
ขนาด |
||||
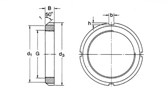
G |
d3 |
B |
G |
d3 |
B |
||
AN |
|||||||
AN 15 |
2.933" | 3.880" | 0.604" | AN 24 |
4.716" | 6.130" | 0.823" |
AN 16 |
3.137" | 4.161" | 0.604" | AN 26 |
5.106" | 6.775" | 0.885" |
AN 17 |
3.340" | 4.411" | 0.635" | AN 28 |
5.497" | 7.099" | 0.948" |
AN 18 |
3.527" | 4.661" | 0.698" | AN 30 |
5.888" | 7.693" | 0.979" |
AN 19 |
3.730" | 4.943" | 0.729" | AN 32 |
6.284" | 8.068" | 1.041" |
AN 20 |
3.918" | 5.193" | 0.760" | AN 34 |
6.659" | 8.661" | 1.073" |
AN 21 |
4.122" | 5.443" | 0.760" | AN 36 |
7.066" | 9.068" | 1.104" |
AN 22 |
4.325" | 5.724" | 0.791" | AN 38 |
7.472" | 9.474" | 1.135" |
AN 40 |
7.847" | 9.849" | 1.198" | ||||
