| แหวนรองเสื้อสำหรับตลับลูกปืนกันรุนเม็ดทรงกระบอก HOUSING WASHER FOR CRTB |

รหัสสินค้า |
ขนาด |
รหัสสินค้า |
ขนาด |
||||
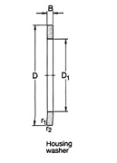
D1 |
D |
B |
D1 |
D |
B |
||
GS 81XXX |
|||||||
GS 81102 |
16 | 28 | 2.75 | GS 81113 |
67 | 90 | 5.25 |
GS 81103 |
18 | 30 | 2.75 | GS 81114 |
72 | 95 | 5.25 |
GS 81104 |
21 | 35 | 2.75 | GS 81116 |
82 | 105 | 5.75 |
GS 81105 |
26 | 42 | 3 | GS 81118 |
92 | 120 | 6.5 |
GS 81106 |
32 | 47 | 3 | GS 81120 |
102 | 135 | 7 |
GS 81107 |
37 | 52 | 3.5 | GS 81122 |
112 | 145 | 7 |
GS 81108 |
42 | 60 | 3.5 | GS 81124 |
122 | 155 | 7 |
GS 81109 |
47 | 65 | 4 | GS 81128 |
142 | 178 | 9 |
GS 81110 |
52 | 70 | 4 | GS 81211 |
57 | 90 | 7 |
GS 81111 |
57 | 78 | 5 | GS 81212 |
62 | 95 | 7.5 |
GS 81112 |
62 | 85 | 4.75 | GS 81214 |
72 | 105 | 8 |