| ชุดตลับลูกปืนวาย พร้อมเสื้อ แบบหน้าแปลนสี่เหลี่ยม Y-BEARINGS FLANGED UNITS WITH CAST HOUSING |

รหัสสินค้า |
ประกอบด้วย |
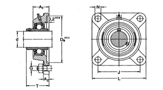
ขนาด |
||||
Japanese NO. |
เสื้อเบอร์ |
ตลับลูกปืนเบอร์ |
d (นิ้ว) |
J (มม.) |
L (มม.) |
T (มม.) |
FY(ขนาดเป็นนิ้ว) |
||||||
FY 5/8 TF UCF 203-5/8" |
FY 503 M | YAR 203-010-2F | 5/8" | 54.0 | 76 | 32.9 |
FY 3/4 TF UCF 204-3/4" |
FY 504 M | YAR 204-012-2F | 3/4" | 63.5 | 86 | 37.3 |
FY 7/8 TF UCF 205-7/8" |
FY 505 M | YAR 205-014-2F | 7/8" | 70.0 | 95 | 38.8 |
FY 15/16 TF UCF 205-15/16" |
FY 505 M | YAR 205-015-2F | 15/16" | 70.0 | 95 | 38.8 |
FY 1. TF UCF 205-1 |
FY 505 M | YAR 205-100-2F | 1" | 70.0 | 95 | 38.5 |
FY 1.1/8" UCF 206-1.1/8" |
FY 506 M | YAR 206-102-2F | 1 1/8" | 82.5 | 108 | 42.2 |
FY 1.3/16 TF UCF 206-1.3/16" |
FY 506 M | YAR 206-103-2F | 1 3/16" | 82.5 | 108 | 42.2 |
FY 1.1/4 TF UCF 207-1.1/4" |
FY 507 M | YAR 207-104-2F | 1 1/4" | 92.0 | 118 | 46.4 |
FY 1.3/8 TF UCF 207-1.3/8" |
FY 507 M | YAR 207-106-2F | 1 3/8" | 92.0 | 118 | 46.4 |
FY 1.7/16 TF UCF207-1.7/16" |
FY 507 M | YAR 207-107-2F | 1 7/16" | 92.0 | 118 | 46.4 |
FY 1.1/2 TF UCF 207-1.1/2" |
FY 508 M | YAR 208-108-2F | 1 1/2" | 101.5 | 130 | 54.2 |
FY 1.5/8 TF UCF 209-1.5/8" |
FY 509 M | YAR 209-110-2F | 1 5/8" | 105.0 | 197 | 54.2 |
FY 1.11/16 TF UCF 209-1.11/16" |
FY 509 | YAR 209-111-2F | 1 11/16" | 105.0 | 137 | 54.2 |
FY 1.3/4 TF UCF 209-1.3/4" |
FY 509 | YAR 209-112-2F | 1 3/4" | 105.0 | 137 | 54.2 |
FY 1.15/16 TF UCF 210-1.15/16" |
FY 510 | YAR 210-115-2F | 1 15/16" | 111.0 | 143 | 60.6 |
FY 2.FM |
FY 511 M | YAR 211-200 | 2" | 130.0 | 162 | 67.4 |
FY 2.TF UCF 211-2" |
FY 511 | YAR 211-200-2F | 2" | 130.0 | 162 | 67.4 |
FY 2.3/16 TF UCF 211-2.3/16" |
FY 511 | YAR 211-203-2F | 2 3/16" | 130.0 | 162 | 64.4 |
FY 2.1/4 TF UCF 212-2.1/4" |
FY 512 M | YAR 212-204-2F | 2" | 143.0 | 175 | 73.7 |
FY 2.7/16 TF UCF 212-2.7/16" |
FY 512 | YAR 212-207-2F | 2 7/16" | 143.0 | 175 | 73.7 |
FY 2.1/2 TF UCF 213-2.1/2" |
FY 513 | YAR 213-208-2F | 2 1/2" | 149.5 | 187 | 73.7 |
รหัสสินค้า |
ประกอบด้วย |
ขนาด |
||||
Japanese NO. |
เสื้อเบอร์ |
ตลับลูกปืนเบอร์ |
d |
J (มม.) |
L (มม.) |
T (มม.) |
FY (ขนาดเป็นมิลลิเมตร) |
||||||
FY 12 TF UCF 203 |
FY 503 M | YAR 203/12-2F | 12 | 54 | 76 | 32.9 |
FY 15 TF UCF 203 |
FY 503 M | YAR 203/15-2F | 15 | 54 | 76 | 32.9 |
FY 17 TF UCF 203 |
FY 503 M | YAR 203-2F | 17 | 54 | 76 | 32.9 |
FY 20FM |
FY 504 M | YET 204 | 20 | 63.5 | 86 | 42.5 |
FY 20TF UCF 204 |
FY 504 M | YAR 204-2F | 20 | 63.5 | 86 | 37.3 |
FY 25 FM |
FY 505 M | YET 205 | 25 | 70.0 | 95 | 42.5 |
FY 25TF UCF 205 |
FY 505 M | YAR 205-2F | 25 | 40.0 | 95 | 38.8 |
FY 30 FM |
FY 506 M | YET 206 | 30 | 82.5 | 108 | 46.7 |
FT 30 TF UCP 206 |
FY 506 M | YAR 206-2F | 30 | 82.5 | 108 | 42.2 |
FY 30 TR UCF 206/L-lll |
FY 506 M | YAR 206-2RF | 30 | 82.5 | 108 | 42.2 |
FY 35 FM |
FY 507 M | YET 207 | 35 | 92.0 |
118 |
50.4 |
FY 35 TF UCF 207 |
FY 507 M | YAR 207-2F | 35 | 92.0 | 118 | 46.4 |
FY 35 TR UCF 207/L-lll |
FY 507 M | YAR 207-2RF | 35 | 92.0 | 118 | 46.4 |
FY 40 FM |
FY 508 M | YET 208 | 40 | 101.5 | 130 | 56.7 |
FY 40 TF UCF 207 |
FY 508 M | YAR 208-2F | 40 | 101.5 | 130 | 54.2 |
FY 40 WF |
FY 508 M | YEL 208-2F | 40 | 101.5 | 130 | 58.9 |
FY 45 FM |
FY 509 M | YET 209 | 45 | 105.0 | 137 | 56.7 |
FY 45 TF UCF 209 |
FY 509 M | YAR 209-2F | 45 | 105.0 | 137 | 54.2 |
FY 45 TR UCF 209/L-lll |
FY 509 M | YAR 209-2RF | 45 | 105.0 | 137 | 54.2 |
FY 50 FM |
FY 510 M | YET 210 | 50 | 111.0 | 143 | 60.7 |
FY 50 TF UCF 210 |
FY 510 M | YAR 210-2F | 50 | 111.0 | 143 | 60.6 |
FY 50 TR UCF 210/L-lll |
FY 510 M | YAR 210-2RF | 50 | 111.0 | 143 | 60.6 |
FY 50 WF |
FY 510 M | YEL 210-2F | 50 | 111.0 | 143 | 66.1 |
FY 55 FM |
FY 511 M | YET 211 | 55 | 130.0 | 162 | 67.4 |
FY 55 TF UCF 211 |
FY 511 M | YAR 211-2F | 55 | 130.0 | 162 | 64.4 |
FY 55 TR UCF 211/L-lll |
FY 511 M | YAR 211-2RF | 55 | 130.0 | 162 | 64.4 |
FY 55 WF |
FY 511 M | YEL 211-2F | 55 | 130.0 | 162 | 74.6 |
FY 60 TF UCF 212 |
FY 512 M | YAR 212-2F | 60 | 143.0 | 175 | 73.7 |
FY 60 TR UCF 212/L-lll |
FY 512 M | YAR 212-2RF | 60 | 143.0 | 175 | 73.7 |
FY 60 WF |
FY 512 M | YEL 212-2F | 60 | 143.0 | 175 | 80.8 |
FY 65 TF UCF 212 |
FY 513 M | YAR 213-2F | 65 | 149.5 | 187 | 73.7 |
